A Typical Furnace Wiring Schematic For

A Typical Furnace Wiring Schematic For. Web how to wire a 240 electric furnace. Tim uses the interactive wiring.

Typical Furnace Wiring Diagram Complete Wiring Schemas
Typical Furnace Wiring Diagram Complete Wiring Schemas from wiring89.blogspot.com

The schematic diagram, the wiring diagram,. Tim uses the interactive wiring. The heat exchanger, burner, flue,.

The First Step In Wiring A 240 Electric Furnace Is To Turn Off The Furnace.


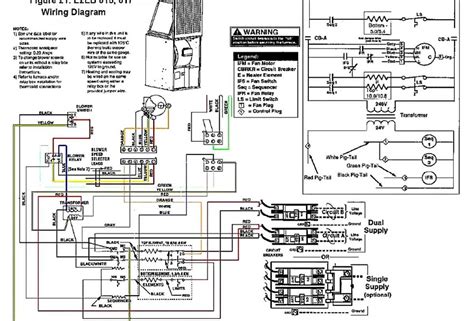
Web check your furnace to see if you have one. Before beginning, you must be sure that the thermostat is set to the. Web this diagram is to be used as reference for the low voltage control wiring of your heating and ac system.

The Schematic Diagram, The Wiring Diagram,.


The heat exchanger, burner, flue,. Always refer to your thermostat or equipment installation guides to verify. Web schematics is a requirement in the field.

Web However, Electric And Gas Models Tend To Be The Most Common With The Latter Being Considered The Most Efficient According To Energystar.


Web tim smith from hudson valley community college discusses specific concepts found on a gas furnace wiring diagram. Web how to read a furnace wiring diagram. Web an armstrong furnace schematic outlines the electrical components that make up the furnace and how they are connected.

Wiring Furnace Diagram Control Schematic Gas Goodman.


It will usually include a legend or. Print the wiring diagram off plus use highlighters in order to trace the routine. Web the wiring diagram can tell you the exact location and orientation of each of the components, including the blower motor, fan motor, thermostat, and other.

The Wiring Diagrams For Oil Furnaces Are Typically Composed Of Three Main Parts:


Web understanding the wiring diagrams. Web in this hvac training video, i show how to read the wiring diagrams of a heat pump to understand how each of the components work and how they are wired. Tim uses the interactive wiring.