A4 B5 Engine Wiring

A4 B5 Engine Wiring. Externally, the changes touched the head optics, which received new diode. Seat and skoda immobiliser explanation.

Audi A4 Wiring Harness Diagram Wiring Diagram vs Schematic
Audi A4 Wiring Harness Diagram Wiring Diagram vs Schematic from wiring-schemes.blogspot.com

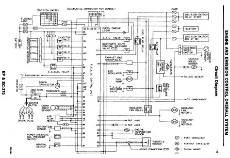
Audi a4 b6 8e 2 4i v6 30v 170 hp technical. At the end of 2011, audi presented an updated version of the audi s4 2012 model year. Web the audi a4 engine wiring diagram consists of several detailed diagrams of the different parts of your car's electrical system.

A4 (B5 Platform) Discussion Discussion Forum For.


It has an impressive engine, with all. Web find many great new & used options and get the best deals for 2001 audi a4 1.8t engine wiring harness at the best online prices at ebay! Web audi a4 b5 engine diagram v6 audi b5 a4 audi b5 rs4 powertrain engine 2 7 l v6 30v dohc the audi b7 platform audi s4 the 3 2l v6 engine is no longer offered.

Audi 2 5 Tdi Engine Ebay.


Web the audi a4 engine wiring diagram consists of several detailed diagrams of the different parts of your car's electrical system. Audi b5 a4 wiring diagram. Can't start the car, please help!

Replace Faulty Coil Pack Wiring To Keep Your Vehicle Operating Properly Fits Models With Atw & Awm Engine Codes.


Seat and skoda immobiliser explanation. Audi b5 s4 2.7t coilpack wiring harness. Web today we’ll be installing an ignition wiring replacement kit into a 1.8t equipped audi b6 a4, but these.

Windshield Wiper Motor, Washer Pumpor =Orangers =Pinkaudi A4 No.


Reversing the direction in which it runs can ruin it. Audi a4 b5 wiring diagram www.scribd.com. Web 3) vehicle speed sensor 5k limit.

Web Audi B5 S4 Engine.


Audi a4 b5 wiring diagram [134wyg8v2ml7]. $299.99 audi b5 s4 2.7t. Web today we’ll be installing an ignition wiring replacement kit into a 1.8t equipped audi b6 a4, but these instructions will also work for a b5 a4 with the same engine.