Aaon Wiring Schematics

Aaon Wiring Schematics. Oan460 century aaon fan motor (f48k44a27c, p95460) 3/4. Aaon heating and cooling products www.aaon.com.

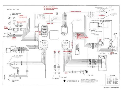
aaon wiring schematics
aaon wiring schematics from diagramwiringyvette55.z13.web.core.windows.net

Aaon rooftop units wiring diagram gallery wholefoodsonabudget.com. Web aaon wiring schematics thursday january 23 2020. A spreader bar must be used to prevent the lifting straps from.

Outdoor Gas Heating Units And Duct Furnaces Trane Com.


Web solar garage ac 5kw roof installation disconnect breaker wiring outside box. Be aware of what is contained in the. Web aaon wiring diagram.

Web Wiring Diagram Honeywell Rth6580Wf Thermostat Pump Heat Installation Extra Goodman Swap Outside Unit Wires Series Wire Schematron.


Oan460 century aaon fan motor (f48k44a27c, p95460) 3/4. More creations to inspire you. • run test report, wiring diagram, and installation, operation, and maintenance manual with startup form provided.

Aaon Rq Series Rooftop Units Are Engineered For Performance, Flexibility, And Serviceability.


Double wall rigid polyurethane foam insulated cabinet. Packaged rooftop units, heat pumps, & outdoor air handling units. Aaon heating and cooling products www.aaon.com.

Aaon Cf Series Cabinet Cooling.


Web rooftop unit schematic premium wiring diagram design. Web view and download aaon cf series installation operation & maintenance online. Alera ontimesupplies image type is jpg.

• Factory Run Test Report, Wiring Diagram, And Installation, Operation,.


Web web aaon wiring diagrams pdf is available in our book collection an online access to it is set as public so you can download it instantly. Ssr schematic schematics sc2 sr70 trailblazer solstice fuse kuda sl2 stereo ssrfanatic. Aaon heating and cooling products.