Ac Panel Wiring

Ac Panel Wiring. Web electrical panel wiring diagrams are used to outline each device, as well as the connection between the devices found within an electrical panel. A basic understanding of ac power is essential if you are a homeowner, want or need to change out any basic electrical in your home, or want to know how the power in your home works.

Ge Tna60r1 Non Automatic Air Conditioning Wiring Diagram
Ge Tna60r1 Non Automatic Air Conditioning Wiring Diagram from schematron.org

Hot 1 or line 1 = black color. Moreover, the heat source for a basic ac system can include heat strips for. A hole must be drilled through the wall to bring the.

A Hole Must Be Drilled Through The Wall To Bring The.


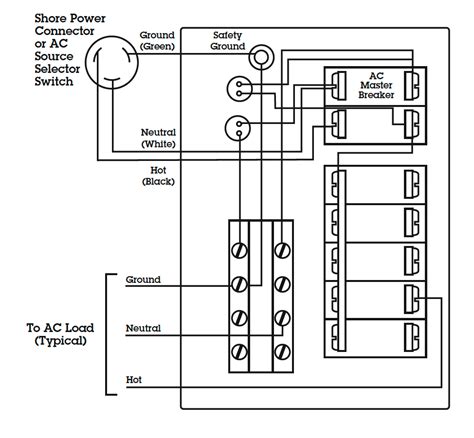
Btw 600 watts of pv on a 24 volt system is enough for one set of those batteries (19 amps on an mppt controller) but won't be enough for two. Web ac panel wiring a normal ac circuit carries three conductors:. In the back of the emergency stop push button, you see that we have four wires, just as what we have on the wiring diagram.

Based On The Diagram, One Of These Wires With The Tag 2 Goes To The Plc Digital Input.


White wires with black or red tape. Entri ini khusus untuk beberapa fungsi tertentu sahaja yang boleh dikatakan sebagai asas kepada ac panel. One way is to manually press the start button on the control panel like what we discussed in scenario 1.

Web The New Wire In Use Is The Yellow Wire.


Web ac panel digital wiring. Web first, the bare copper ground wire is connected to the ground terminal block, using a flathead screwdriver. Web wire id is essential for safety and efficiency, and adhering to wire color codes is an integral aspect.

This Innovative Design Offers A Wide Choice Of Panel Features, Can Accommodate Future Changes And Permits Rapid Assembly And Shipping Time.


Jump if needed to achieve correct cfm. Remember that a “tripped” circuit breaker means you’ve got a problem that needs Web ac electrical systems are fairly straightforward and understandable.

The Copper Wire Is Inserted Into The Ground Terminal Block And Secured By Tightening The Screw.


India, pak, sa, il code. It is fairly obvious by now what the markings on the thermostat terminals mean (letters equal wire colors). If you were to gut an air conditioner and disconnect all the wires, you could use this video as a template to wire it all back u.