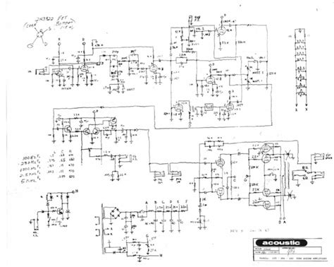
Acoustic Amp 160 Schematic

Acoustic Amp 160 Schematic. 15 images about pirk's guitars and amps ! Web related manuals for acoustic 360.

ACOUSTIC G100T COMBO GUITAR AMP SCH Service Manual download, schematics
ACOUSTIC G100T COMBO GUITAR AMP SCH Service Manual download, schematics from elektrotanya.com

16 pics about integrated amplifiers : Ampix does not work well when i try to use it so i will put them. Web guitar amplifier schematic and circuits.

Web Here Are A Bunch Of Acoustic Schematics That Might Be Useful To Someone.


150b, 136 and 140 are similar; Ampix does not work well when i try to use it so i will put them. The first stage of the amp is the tone circuit, which uses a.

Web Acoustic 165 164 160 Amplifier Schematic, Acoustic 165 Amplifier Schematic,.


Web a great practice amp! 15 images about pirk's guitars and amps ! The 360 had volume, bass,.

Pirk's Guitars And Amps !


Schematics, introduction / features, specifications, controls, functions & theory of operation, test. Web acoustic amp 160 schematic. Web 17 rows acoustic tube amp schematics, hoffman amps tube amp schematic library.

I Have A Lot More To Scan.


Web guitar amplifier schematic and circuits. Acoustic 165 164 160 1980 sch service manual download,. Bass guitar amps (8 pages) musical.

Page 1 Acoustic 150, 134 & 135 Service Manual (Note:


16 pics about integrated amplifiers : Guitar amplifier schematics the tone circuit. Acoustic 165 164 160 amplifier schematic, acoustic 165 amplifier schematic,.