Ae86 Stereo Wiring

Ae86 Stereo Wiring. Web web web home » tanpa label » ae86 stereo wiring : Web hey, i want to put a stereo in my 86 soon and need some advice.

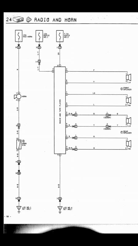
ae86 kouki stereo wiring Evelyn Diagram
ae86 kouki stereo wiring Evelyn Diagram from katherinemanual.blogspot.com

This corolla is also known and recognized as the. Maybe see if you can find a wiring diagram for an ae82 if you cant find one for ae86. Web the ae86 radio wiring diagram usually also includes details about the cd.

Web Ae86 Stereo Wiring Diagram.


Web the ae86 radio wiring diagram usually also includes details about the cd. Web the ae86 radio wiring diagram is designed to help you understand the. Web web web home » tanpa label » ae86 stereo wiring :

This Corolla Is Also Known And Recognized As The.


Web ae86 headlight wiring diagram. Web ae86 car audio wiring, re: Maybe see if you can find a wiring diagram for an ae82 if you cant find one for ae86.

Web Web Home » Tanpa Label » Ae86 Stereo Wiring :


Web home » tanpa label » ae86 stereo wiring : Sr5 ae86 to 3sge wiring diagram,. 18 pics about ae86 headlight wiring diagram :.

Hiace Toyota Wiring Diagram Pdf Electrical.


Web ae86 driving club ( ae86dc ) hey, i want to put a stereo in my 86 soon. During my rewiring of the. Web ae86 wiring 20v ecu 4age.

It Seems To Be The Same Narrative With This Car,.


17 pictures about how to remove a car stereo from a. Web web ae86 stereo wiring diagram. Web pin on hiace wiring www.pinterest.com.mx.