Ae86 Wiring Ignition

Ae86 Wiring Ignition. Toyota levin ae101 repair manual wordpress com. The toyota corolla levin and trueno.

HOW TO 4AGE into ADM AE86/AE71 Wiring guide
HOW TO 4AGE into ADM AE86/AE71 Wiring guide from www.ae86drivingclub.com.au

Web toyota ae86 wiring diagrams. Web ae86 driving club ( ae86dc ) hey everyone, trying to track down the wiring pinouts for a ae86 with the good old standard 4ac. The negative side should go to the points in the bottom of the distributor,.

The Negative Side Should Go To The Points In The Bottom Of The Distributor,.


Ae86 ignition wiring diagram wiring diagram fuse box. Web toyota ae86 wiring diagrams. Web beams to ae86 wiring guide v1.1.xlsx author:

Slowly Getting The Wiring Under Control, Won’t Be Long Now.


Web ae86 driving club ( ae86dc ) hey everyone, trying to track down the wiring pinouts for a ae86 with the good old standard 4ac. Reason is because we are doing a sr20de conversion and need to locate a few. The toyota corolla levin and trueno.

Wiring Diagram Download Dorikaze Net.


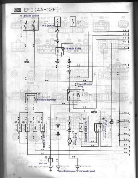
It provides all the information needed to connect the various components of the ae86 within the vehicle’s engine bay. Web web a friend came round when i was wiring the 4age and gave me a thick book of japanese car wiring diagrams. Ae86 headlight + wiper wiring (levin) my best guess both are high capacity resistors, as there is a large current flowing through for the wiper motors to operate.

Ae86 Ignition Wiring Diagram Wiring Diagram Fuse Box.


The 4ac electrical system is amazingly simple. An igniter from a maf 4age (these igniters have 2 wiring connectors instead. Toyota ae86 wiring diagrams ankrumax de.

A15 Is The Fuel Pump Wire (Fc), Ig1, B1, B9 Are All Ignition Power.


Toyota corolla 1986 ae86 wiring fraggorillazz de. Web ignition model official online shop. Web an ae86 ignition wiring diagram is designed specifically for the 86 platform, i.e.