Aiphone Inte Speaker Wiring Diagram

Aiphone Inte Speaker Wiring Diagram. Find a sales rep request. Web aiphone wire is designed specifically for each aiphone intercom system to ensure proper system performance at maximum distance specifications.

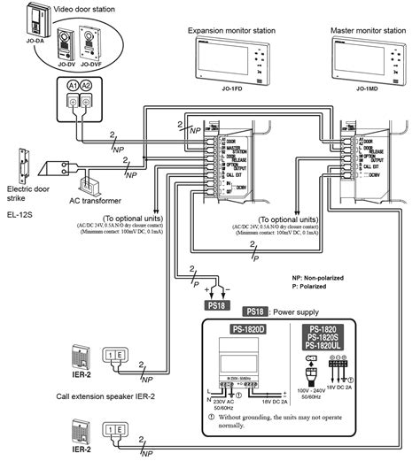
20 Lovely Aiphone Wiring Diagram
20 Lovely Aiphone Wiring Diagram from bosco-mylove.blogspot.com

Web connect cctv and audio door station. Web web headphone jack with mic wiring diagram. Web gt series standard wiring diagram audio only ;

I/O Tube [7] Lower Acoustic Tube [8] Driver Unit [9].


Web view our speaker wiring configuration diagrams to properly match speaker load with your amplifiers output impedance to get maximum transfer of power. Gt series expanded wiring diagram audio only ; Web learn how to safely clean aiphone products to prevent the spread of germs without damaging the stations.

The Same Adaptor Allows For Two Way.


Web home stereo and car. Web view and download aiphone db series user manual online. Web jo series video intercom with mobile app capability.

For Distance Over 200M, Please Call Aiphone Pty Ltd.


Because of this, the aiphone. Please call aiphone pty ltd. Find a sales rep request.

Web To Prevent Any Possible Oscillation, Ensure That The Speaker Wires Are Kept Away From Any Input Wiring Connected To The.


Web aiphone wire is designed specifically for each aiphone intercom system to ensure proper system performance at maximum distance specifications. Web connect cctv and audio door station. Web gt series standard wiring diagram audio only ;

Db Series Intercom System Pdf Manual Download.


Web view online (32 pages) or download pdf (675 kb) aiphone nim user manual • nim door intercom systems pdf manual download and more aiphone online manuals Web headphone speaker wiring diagram : Signaling relay can be added.