Alpine Deck Wiring Diagram

Alpine Deck Wiring Diagram. Web alpine cda9847 cd deck & alpine 5952z 6 pack cd changer from forums. For the most part, the wiring colors on aftermarket stereos and these.

Alpine Iva W203 Wiring Diagram
Alpine Iva W203 Wiring Diagram from wiringall.com

Alpine 7327 am fm tuner cassette deck car stereo. Alps alpine north america, inc. Web alpine deck wiring diagram on alpine images.

Double Din Navigation Radio Upgrade For 91 Daytona Turbo Dodge Forums :


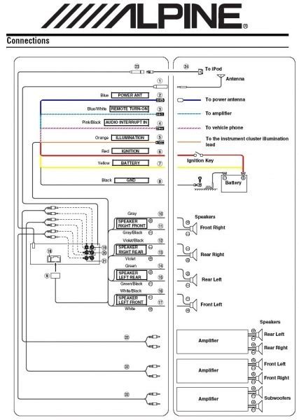
Wiring diagram rer alpine there are 2 plugs that come out of the. This is a fairly straight forward. Web alpine deck wiring diagram :

Web Car Radio Wire Diagram Stereo Wiring Diagram Gm Radio Wiring Diagram.


Web alpine ktp wiring radio connector iva diagram pinout stereo wire 445u esquema need schema autoradio audio amp konektor schematic am. Holden cde chanish w505 imageservice. Web alps alpine north america, inc.

× 3 × 2 2 Prepare Tools And Mounting Information.


Alps alpine north america, inc. Web malfunction or damage to the vehicle’s electrical system. Wiring diagram alpine dual radio audio stereo blaupunkt camera lcd peugeot cd latest standard.

Web 318Ti.org Forum > Technical, Maintenance And Modifications > Interior And Ice > Alpine Deck Wiring Help.


The system depicted includes new speakers, an aftermarket receiver, a 4. Alpine 16 pin wiring www.caraudio.com. Web alpine wire harness cde136bt cde143bt cda7977 cde124sxm cda9855 ivad901, alpine deck wiring.

1500 Atlantic Blvd, Auburn Hills, Mi 48326.


Com cda 9847 manual500 wiring diagram kelly's 1. Double din navigation radio upgrade for 91. • when making connections to the vehicle’s electrical system, be.