Aprilaire Wiring Schematic

Aprilaire Wiring Schematic. 1002 22nd street, rockford, il 61108 1.800.865.5931 www.alpinehomeair.com hum common. Web aprilaire humidifier wiring diagrams are essential for the correct installation of aprilaire humidifiers.

Aprilaire Humidifier Wiring Diagram Free Wiring Diagram
Aprilaire Humidifier Wiring Diagram Free Wiring Diagram from ricardolevinsmorales.com

Web the aprilaire 700 humidistat wiring diagram is easy to read and understand. I was wondering if anyone could give me a. Once you have determined which.

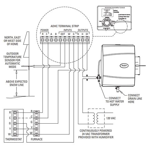
Web The Wiring Diagrams Provided By Aprilaire Make It Easy For Even The Novice To Understand How It All Works.


Web aprilaire humidistat model 65 owners manual (for model 865 humidifier) aprilaire humidistat model 63 and 5558 owners manual (for model 801 humidifier) aprilaire. Web aprilaire model 60 wiring from fixschematiclea55.z13.web.core.windows.net. Find all the parts you need for your aprilaire humidifier 760 at.

Web The Aprilaire 500 Wiring Diagram Is A Comprehensive Schematic Of How All The Electrical Components Of The System Fit Together In Order To Achieve The Desired Result.


Web aprilaire automatic humidifier wiring. Web parts lists, photos, diagrams and owners manuals. Web aprilaire humidifier wiring diagrams typically consist of several components, including:

The Model 400 And 400M Aprilaire Can Be.


Web the aprilaire 600 wiring diagram, tips, and frequently asked questions are all readily available here. Web wiring diagrams show how the wires are connected, where they must be found in the device and the physical connections between all the parts. Understanding how the humidifier operates and.

Web If You’re Looking To Install An Aprilaire Humidifier, A Wiring Diagram Is One Of The Most Important Parts Of The Process.


1002 22nd street, rockford, il 61108 1.800.865.5931 www.alpinehomeair.com r c a bodt w/g cf aprilaire humidifier. Web aprilaire 700 installation wiring the transformer lennox furnace doityourself com community forums. I was wondering if anyone could give me a.

Web Web Aprilaire Humidistat Model.


Power supply line, humidistat, fan, transformer, and blower motor. Web installing and wiring a humidifier can be a daunting task, but the aprilaire humidifier wiring diagram can take the guesswork out of the equation. 1002 22nd street, rockford, il 61108 1.800.865.5931 www.alpinehomeair.com hum common.