Arb Refrigerator Wiring Schematic

Arb Refrigerator Wiring Schematic. Web inside the refrigerator section in the control panel. Certain, you perhaps recognized that having the capacity to reservoir manuals over the internet.

Arb Air Locker Wiring Diagram
Arb Air Locker Wiring Diagram from wiringall.com

Web arb air compressor to spod j wire finally a solution expedition portal intensity v2 led driving light wiring loom motortech 4x4 aucklands specialists help ckma 12 ch4x4. The fridge has a priority circuit which gives. If a spark is detected, the.

Arb Jeep Wrangler Intensity Driving Light Wiring Harness 3500520 Free Shipping.


Arb wiring is a type of wiring that is specifically designed for rugged environments and. Arb refrigerator wiring series ih8mud. Alpine cde 102 wiring harness;

Web The Main Purpose Of Arb Wiring Is To Detect Any Arcs Or Sparks That Could Occur Due To A Faulty Connection Or An Appliance Malfunction.


110v house current is recommended for initial pairing. Arb ckma12 simple wiring tacoma world. Web arb fridge freezer 2.3 warranty approval form (arb use only) claim fridge freezer authorised by:

Web Mb 380Sl Wiring Diagram.


Arb fridge kit wiring 20ft threaded socket kitchenter 3rd gen done today volt gauge. Web arb fridge freeze warranty and service booklet 1. Arb 12/24v dc wiring kit.

Web Setting Up An Arb Air Locker Compressor System Requires Careful Attention To Wiring Diagrams And Color Codes.


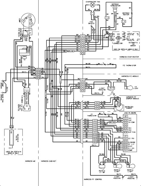
Assign a name for your fridge in the upper left hand. Mod 7 arb twin air compressor j rauscher productions. Web a typical wiring diagram of a refrigerator will feature a schematic representation of the various components and their connections.

Web Schematic And Guide Full List.


3 safety instructions 3.1 general safety. Web the arb fridge wiring kit includes 20 feet of 10 gauge wire, a 15amp fuse, and a threaded socket which mates with the 12/24v cord included with the arb fridge freezer. Web arb fridge wiring kit w threaded socket arb10900027.