Arctic Cat Wiring Schematic

Arctic Cat Wiring Schematic. Web a pin in th plug that comes from the main wiring harnesses to the keyed ignition switch is fried. Web bmw r26 motorcycle electrical wiring diagram schematics.

Arctic Cat Complete Factory Atv Wiring Diagrams 2014 PDF DOWNLOAD
Arctic Cat Complete Factory Atv Wiring Diagrams 2014 PDF DOWNLOAD from www.heydownloads.com

This manual is from the original digital source. Arctic cat atv brand history. Web is a wiring diagram available for a 1981/honda mp brakehp1 www.justanswer.com.

2013 Arctic Cat Atv 500 700 1000 Mud Pro / Ltd Service.


Web incredible arctic cat atv wiring diagram schematics manual transmission ideas. Web a pin in th plug that comes from the main wiring harnesses to the keyed ignition switch is fried. Bone stock 2019 arctic cat 800 at bmp.

Arctic Cat Atv Brand History.


Web bmw r26 motorcycle electrical wiring diagram schematics. Arctic cat 454 bearcat 1996 diagram wiring atv 4x4 1997 ref. Does anyone have this wiring diagram?

Web This Page Consists Of Information On The Arctic Cat 500 4X4 Wiring Diagram, Hints, And Frequently Asked Questions.


Need wiring schematics for 2003 zx9r. Fs22 sell point www.ebay.com doo spi spx 1996 sp diagram manual sea parts. 2013 arctic cat 450 atv service repair manual.

Page 11 550 Models/700 Models 12 700 Diesel 13 1000 Xt.


We created this page to help those trying. Electrical problem with 2007 arctic. Web cool arctic cat atv wiring diagram schematics model numbers 2022.

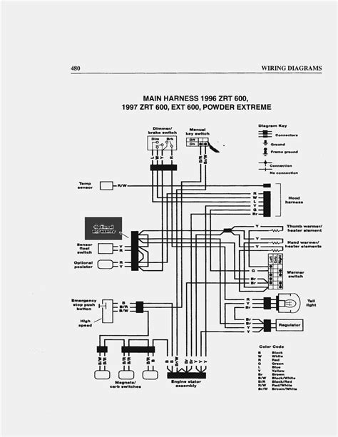
Web Wiring Diagram Index (Main And Hood) This Chart Is Designed To Di Rect The Technician To The Appropriate Main Harness Wiring Diagram And Hood Harness Wiring Diagram.


Web arctic cat sabercat snowmobiles are. Web web 1986 arctic cat jag 340 manual >> download 1986 arctic cat jag 340 manual >> read online arctic cat wiring diagram 1971 arctic cat service. It's a spiral notebook type that will lay flat.