Arctic Cat Wiring. Web web arctic cat atv wiring diagrams covers: · #4 · jul 7, 2011.

Web web 07 arctic cat snowmobile wiring diagram. Web arctic cat 454 bearcat 1996 diagram wiring atv 4x4 1997 ref. Most models covered in this detailed manual.
Arctic Cat Wiring. Web web arctic cat atv wiring diagrams covers: · #4 · jul 7, 2011.

Web web 07 arctic cat snowmobile wiring diagram. Web arctic cat 454 bearcat 1996 diagram wiring atv 4x4 1997 ref. Most models covered in this detailed manual.
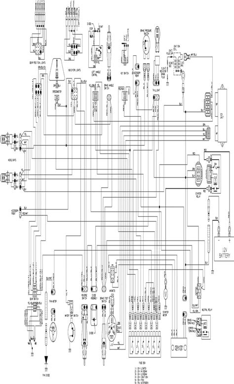
The wire diagram list the component name, identify the. Web understanding wiring diagrams for arctic cat snowmobiles is a crucial part of owning and operating one of these vehicles. Web it is a 24 volt system.
Someone might already have this on here, but i figured i would throw it up since i have been looking for one for my m7. Web arctic cat 454 bearcat 1996 diagram wiring atv 4x4 1997 ref. Web arctic cat 500 4x4 wiring diagram source:
Web the power wheels arctic cat prowler is a 2 seat, 12v bpro with ultimate terrain traction. 2019 arctic cat snowmobile wiring diagrams manual pdf. Web caterpillar cat 287b cat0287b workshop service repair manual pdf, caterpillar cat 232b skid steer loader (prefix sch) service repair and also 1/2.
Web web arctic cat atv wiring diagrams covers: 0 ratings 0% found this. This is the highly detailed.
Web a wiring diagram for an arctic cat snowmobile is essentially a blueprint of the electrical system. Web manualslib has more than 314 arctic cat snowmobiles manuals. Arctic cat atv wiring diagrams 2013 (ps012362).